NTC热敏电阻的三方面应用
1、1)仪表电路中的温度补偿
在仪表电路中,有很多像线绕电阻一样用金属丝做的元件。金属丝一般都具有正温度系数,采用负温度系数的NTC热敏电阻进行补偿,就能抵消由于温度变化所产生的误差。图1是一种温度补偿电路。是将NTC热敏电阻与电阻温度系数非常小的锰铜丝电阻并联后再与被补偿的元件串联,达到温度补偿的作用。
图1 NTC热敏电阻在仪表温度补偿中的应用

2、2)TC用在晶体管电路中稳定工作点
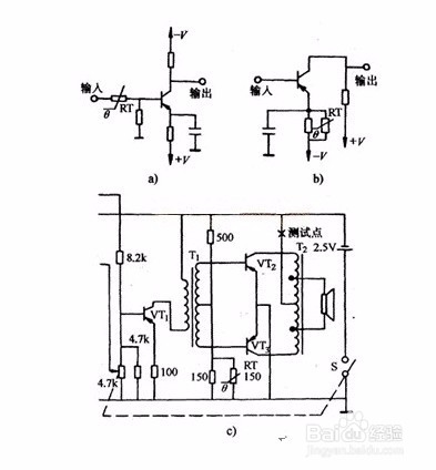
图2是三种NTC热敏电阻稳定晶体管工作点的电路。
图2(a)所示为一个简单晶体管电流放大器,在基极回路中接大了一个NTC热敏电阻RT。在环境温度变化时,线路输出电流也会有变化,加大了NTC后就可自动调整这一级晶体管的集电极直流电流,稳定晶体管的输出增益。
图2用NTC稳定晶体管工作点

3、图2(b)中将NTC热敏电阻肝与发射极电阻并联,当晶体管发射结电阻随温度升高而阻值增大时,NTC热敏电阻RT就起到补偿作用。
图2(c)为一晶体管收音机低频功率放大级。在该级的下偏置电阻上并联了一只NTC热敏电阻RT,当温度升高引起集电极电流增加时,由于下偏置电阻减小,基极电流也减小,因而使集电极电流下降,起到了稳定工作点的作用。
4、3)用NTC热敏电阻作温度测量装置
图3为一热敏电阻温度计。图中RT为热敏电阻,由于热敏电阻的阻值随温度变化而变化,因而使接在电桥对角线间的微安表指示也相应地变化。热敏电阻温度计的精确度可以达到0.1℃ 感温灵敏度在10s以下。
图3热敏电阻温度计

阅读量:33
阅读量:180
阅读量:148
阅读量:143
阅读量:68