指南经验网
首页
美食营养
生活百科
知识问答
生活知识
返回
指南经验网
首页
美食营养
游戏数码
手工爱好
生活知识
生活百科
健康养生
运动户外
职场理财
情感交际
母婴教育
时尚美容
知识问答
更多知识
搜索
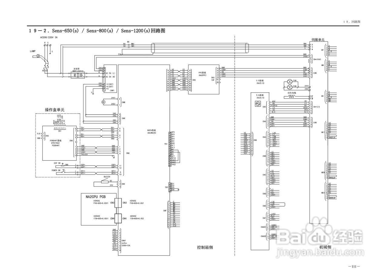
YUDO STEC-NA2机械手用控制器说明书:[12]
2026-04-24 20:01:15
本篇为《YUDO STEC-NA2机械手用控制器说明书》,主要介绍该产品的使用方法以及常见故障解决方案。
(共篇)
上一篇:
相关推荐
手机存储卡分类介绍---及选购指南
阅读量:108
GTD任务管理软件Anydo怎样使用
阅读量:102
安卓高版本如何开启调试模式
阅读量:154
OMRON E3JM/E3JK AC/DC自由电源型光电开关说明书
阅读量:45
先锋AVH-P6850DVD播放机使用说明书:[1]
阅读量:123
猜你喜欢
狍子肉怎么做好吃
斯柯达昕锐怎么样
贝聿铭怎么读
包皮长怎么戴安全套
热汤面条怎么做好吃
jlzz大全奶水太多
最简单的打领带方法
最全的解梦大全
酸辣汤的家常做法
房贷利息怎么计算
猜你喜欢
怎样炖牛肉好吃
退休工资怎么计算
辣子鸡丁的家常做法
家用吸尘器怎么选
怎么看隐藏文件夹
宫腔积液是怎么回事
猪皮怎么做好吃
种西瓜的方法
女人肾虚的调理方法
手机怎么换系统