指南经验网
首页
美食营养
生活百科
知识问答
生活知识
返回
指南经验网
首页
美食营养
游戏数码
手工爱好
生活知识
生活百科
健康养生
运动户外
职场理财
情感交际
母婴教育
时尚美容
知识问答
更多知识
搜索
能高HNWS-602微机继电保护测试仪使用说明书:[13]
2026-02-16 15:13:32
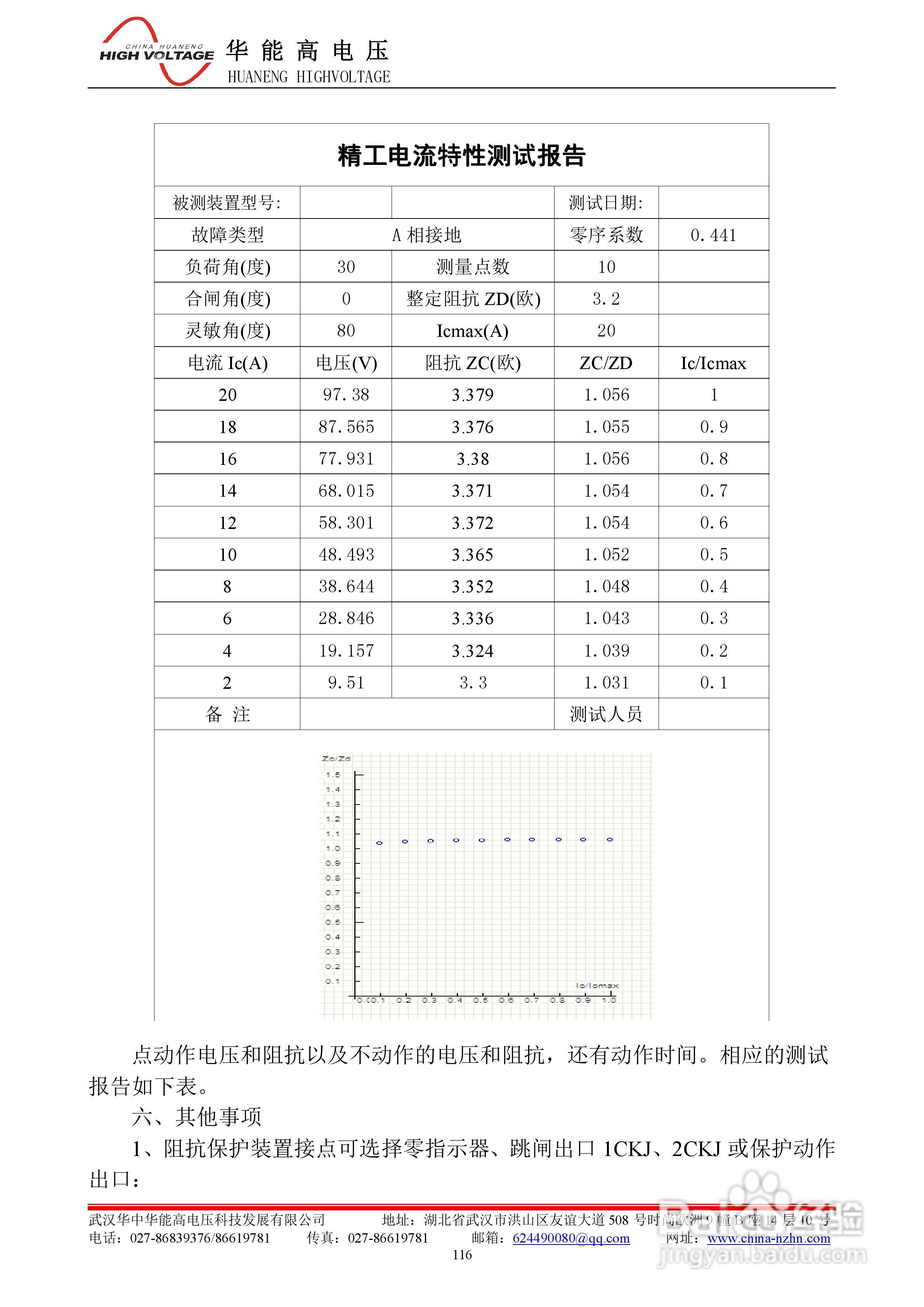
本篇为《能高HNWS-602微机继电保护测试仪使用说明书》,主要介绍该产品的使用方法以及常见故障解决方案。
(共篇)
上一篇:
|
下一篇:
相关推荐
能高HNWS-602微机继电保护测试仪使用说明书:[14]
阅读量:170
微机继电保护测试仪软件操作方法
阅读量:65
微机继电保护测试仪常见处理方法
阅读量:28
微机继电保护测试仪的用途
阅读量:80
微机继电保护测试仪差动保护注意事项
阅读量:190
猜你喜欢
100个经典幽默笑话大全
瞬狙怎么练
无手机号怎么注册微信
dnf怎么摆摊
莲藕怎么做好吃
传授犯罪方法罪
家常炖鱼
佳句摘抄大全
音乐用英语怎么写
众泰t600怎么样
猜你喜欢
情绪管理的方法
控制情绪的方法
发财树的养殖方法和注意事项
重庆有什么好吃的
符号大全
鲨鱼肉好吃吗
家常菜做法大全有图
清蒸鲤鱼的家常做法
肉末粉条的家常做法
黄豆的做法大全家常