指南经验网
首页
美食营养
生活百科
知识问答
生活知识
返回
指南经验网
首页
美食营养
游戏数码
手工爱好
生活知识
生活百科
健康养生
运动户外
职场理财
情感交际
母婴教育
时尚美容
知识问答
更多知识
搜索
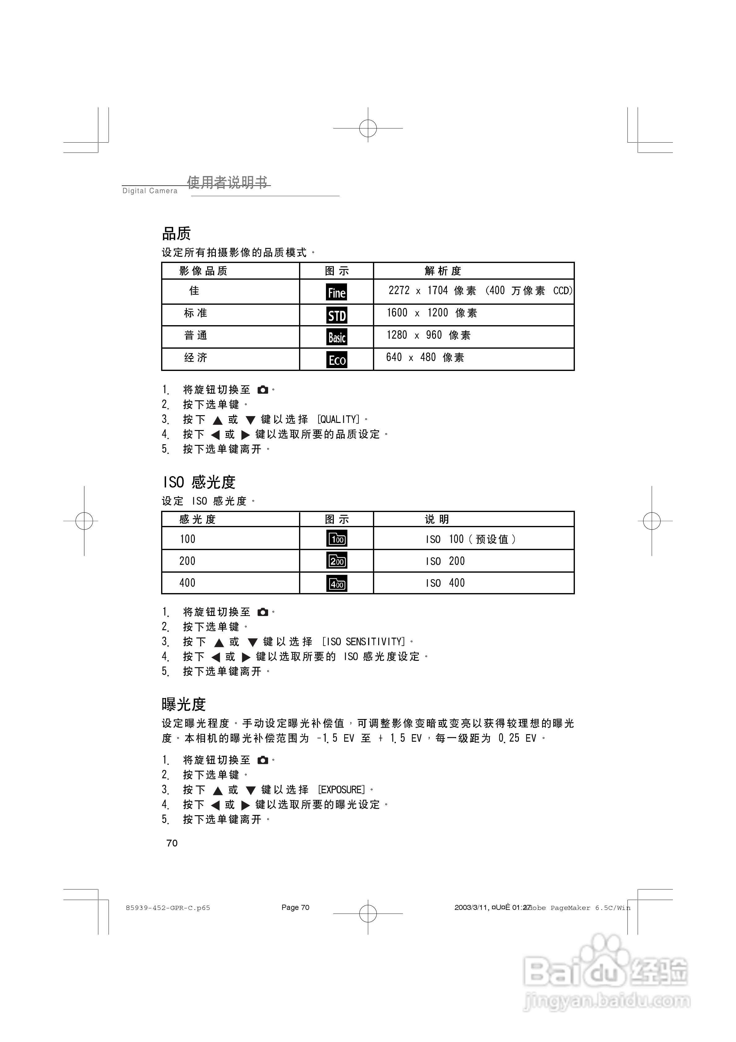
SICONG DCC3400数码相机说明书:[3]
2026-02-17 02:42:10
(共篇)
上一篇:
|
下一篇:
相关推荐
果壳色修精华一天用几次
阅读量:35
闲鱼软件收货地址怎么删除
阅读量:177
半次元怎么开启移动网络自动播放视频?
阅读量:168
模拟山羊怎么下载
阅读量:82
∩是并集还是交集
阅读量:44
猜你喜欢
梦幻模拟战5攻略
硬盘序列号怎么看
头发上长虱子怎么办
刘公岛简介
貂绒毛衣掉毛怎么办
虎兄虎弟简介
减肥营养菜谱
新都桥旅游攻略
海南旅游攻略自由行
罪恶都市任务攻略
猜你喜欢
贵州旅游攻略
火龙果减肥
指甲油怎么涂好看
少林寺旅游攻略
红米开不了机怎么办
怎么系鞋带蝴蝶结
保卫萝卜3公园攻略
简单减肥操
剑侠情缘2攻略
桑叶减肥