如何用阻抗法分析正弦交流电路
1、阻抗的定义:二端网络端口电压相量和端口电流相量的比值,定义为阻抗。用Z表示。国际单位是欧姆(Ω)。阻抗本身是一个复数,所以称之为复阻抗,简称为阻抗。

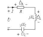
2、阻抗法分析正弦交流电路的步骤:(1)作出电路的相量模型。即原电路中电压、电流用其对应的相量表示,各元件用对应的阻抗表示。(注意:相量形式要统一,即电路中所有电压或电流要么都表示成有效值相量,要么都表示成最大值相量。(2)运用直流电路的分析计算方法来分析和计算。(3)求解待求量。以RLC串联电路为例进行说明。

4、根据串联电路阻抗的计算公式,可得RLC串联电路总的阻抗为

5、根据阻抗的定义,可得RLC串联电路总的阻抗为


