指南经验网
首页
美食营养
生活百科
知识问答
生活知识
返回
指南经验网
首页
美食营养
游戏数码
手工爱好
生活知识
生活百科
健康养生
运动户外
职场理财
情感交际
母婴教育
时尚美容
知识问答
更多知识
搜索
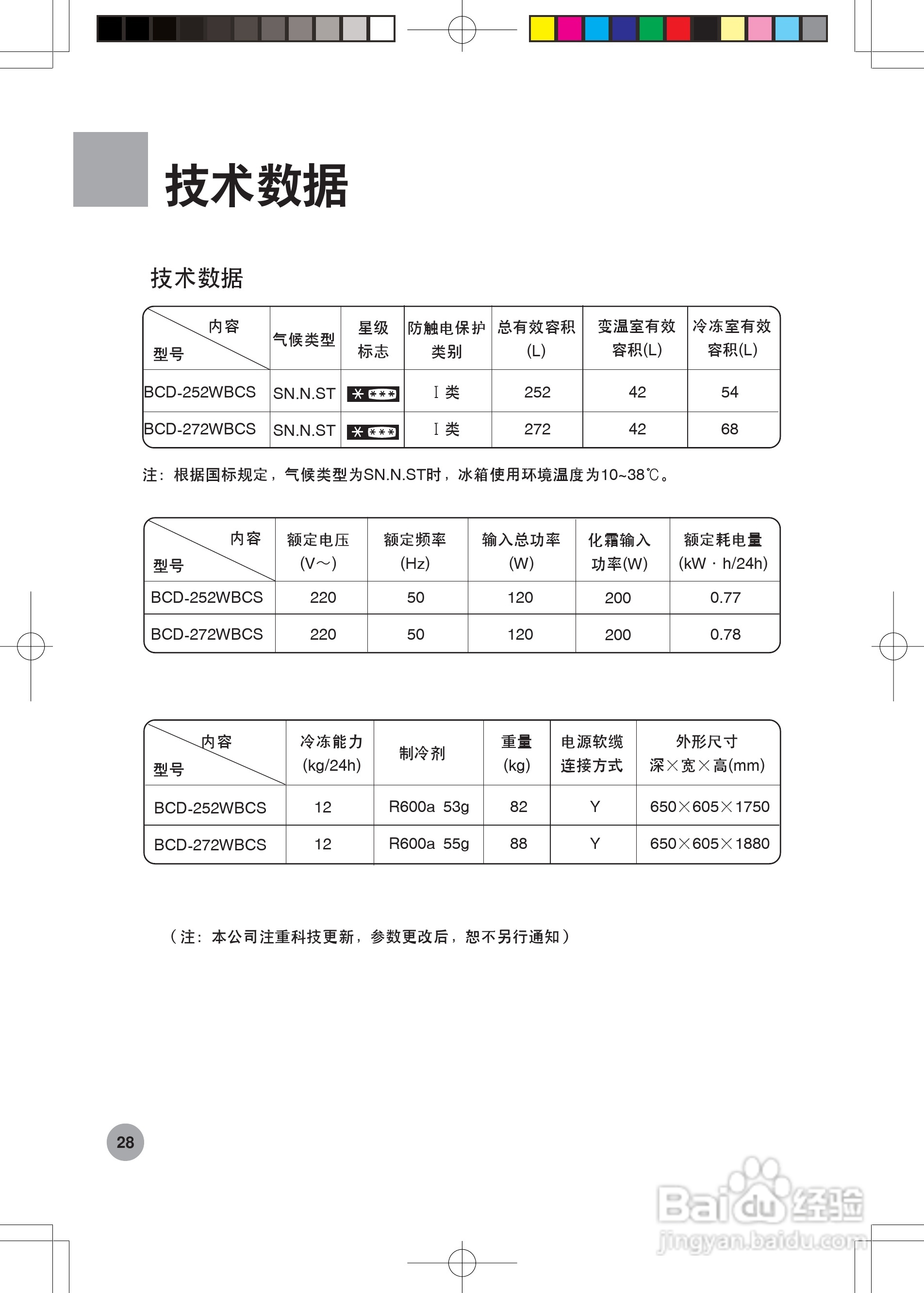
海尔变频冰箱白马王子BCD-252WBCS型说明书:[3]
2026-04-22 05:33:24
(共篇)
上一篇:
|
下一篇:
相关推荐
使用Powershell验证计算机和域间的安全通道
阅读量:41
怎么去下载安装团油APP应用呢
阅读量:92
开心餐厅怎么装饰摇钱树
阅读量:117
欧司朗车灯的使用方法
阅读量:87
N个坐着就能瘦的瘦腿方法
阅读量:111
猜你喜欢
黄山旅游地图
怎么缩毛孔
qq怎么了
怎么下载种子
泉州师范学院怎么样
旅游网站
海信电视质量怎么样
东莞理工学院怎么样
宝宝多大可以刷牙
肚子上的肥肉怎么减
猜你喜欢
总想小便是怎么回事
word对号怎么打
乌龟白眼病怎么办
少白头是怎么回事
大宝洗面奶怎么样
上海九龙医院怎么样
雷诺科雷傲怎么样
感冒可以吃鸡肉吗
佳木斯大学怎么样
南岳衡山旅游