指南经验网
首页
美食营养
生活百科
知识问答
生活知识
返回
指南经验网
首页
美食营养
游戏数码
手工爱好
生活知识
生活百科
健康养生
运动户外
职场理财
情感交际
母婴教育
时尚美容
知识问答
更多知识
搜索
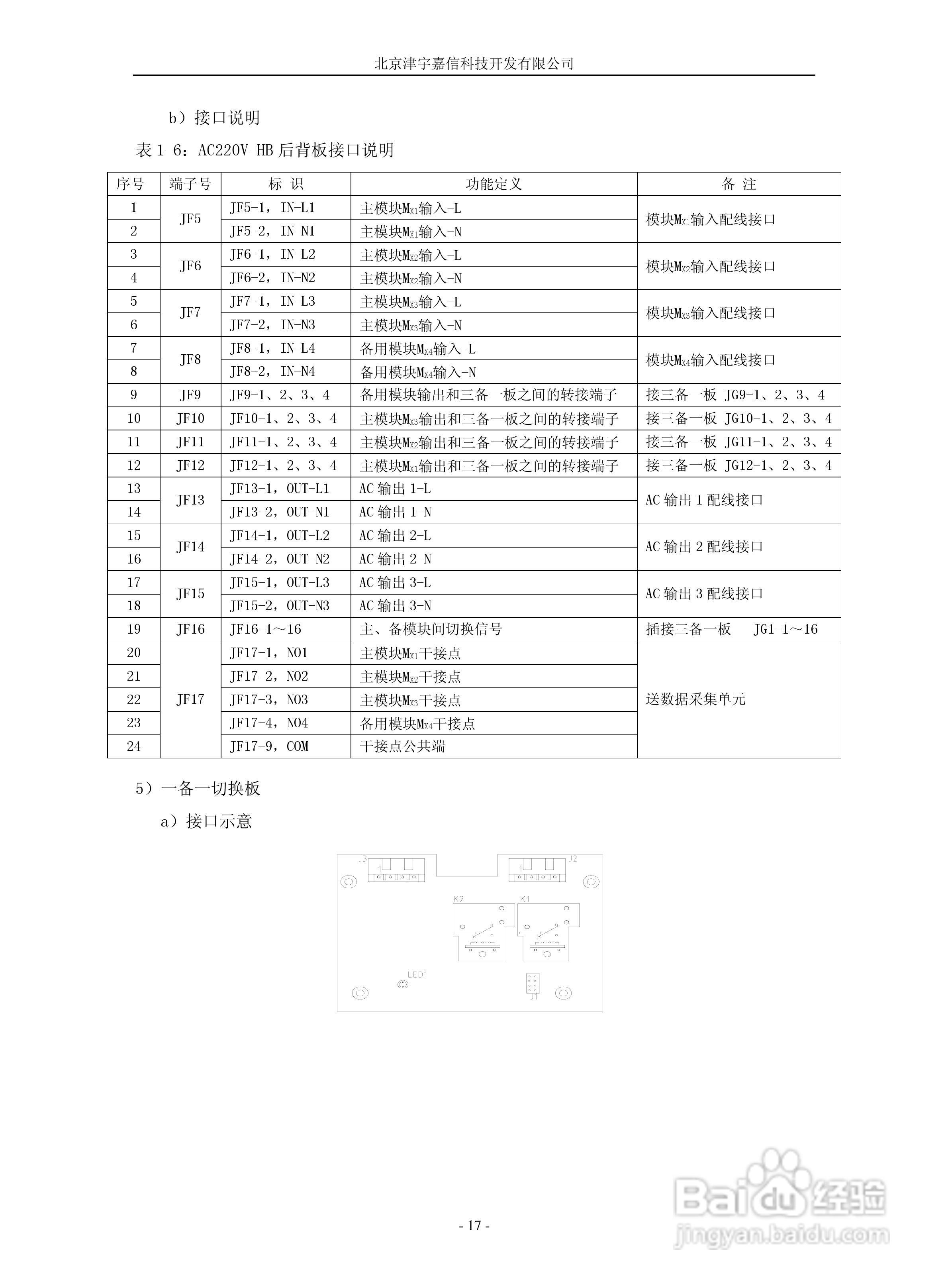
PMZG智能铁路信号电源系统用户手册:[3]
2026-04-26 04:49:41
本篇为《PMZG智能铁路信号电源系统用户手册》,主要介绍该产品的使用方法以及常见故障解决方案。
(共篇)
上一篇:
|
下一篇:
相关推荐
chinesef是什么意思
阅读量:90
"迅雷看看 高清影院" 图标原理及删除
阅读量:99
澳门三日游推荐线路/澳门三日游详细攻略
阅读量:161
深圳市苹果手机维修点预约有什么流程呢?
阅读量:166
枸杞可以每天都吃吗一天吃几颗枸杞最合适
阅读量:161
猜你喜欢
生姜的种植方法
五彩绳编织方法
手被开水烫了怎么办
粉条怎么做好吃
不锈钢焊接方法
鞋子不跟脚怎么办
奔驰e300怎么样
黑盒测试方法
创维电视机怎么样
vivo手机大全
猜你喜欢
怀孕了发烧怎么办
研究方法
牛腩的做法大全家常
红薯饼怎么做好吃又简单
乐高积木玩具大全
通知书怎么写
酸菜鱼怎么做的
扇贝肉怎么做好吃
挣钱方法
云南有什么好吃的