指南经验网
首页
美食营养
生活百科
知识问答
生活知识
返回
指南经验网
首页
美食营养
游戏数码
手工爱好
生活知识
生活百科
健康养生
运动户外
职场理财
情感交际
母婴教育
时尚美容
知识问答
更多知识
搜索
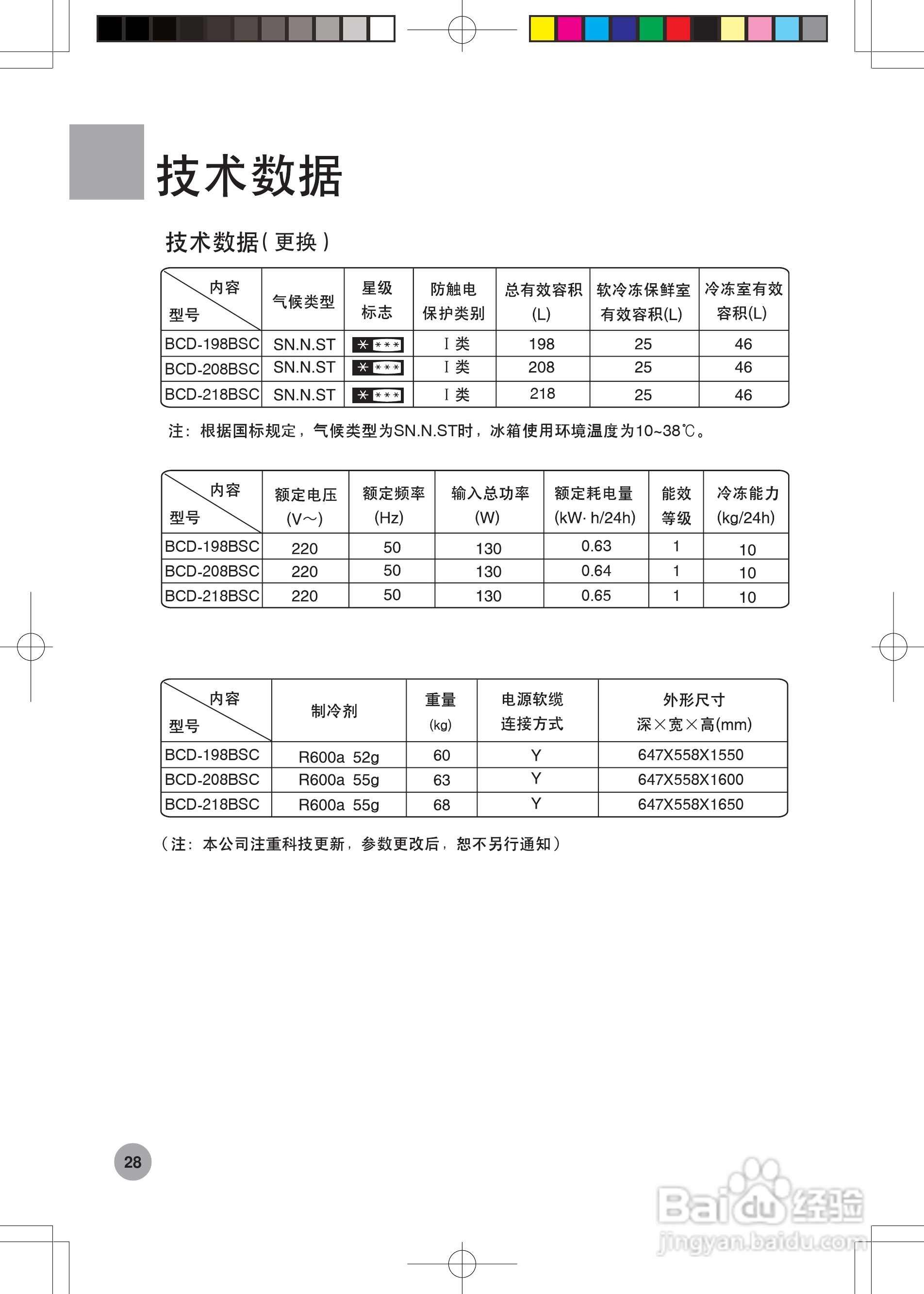
海尔变频冰箱白马王子BCD-218BSC型说明书:[3]
2026-02-18 22:41:33
(共篇)
上一篇:
|
下一篇:
相关推荐
海尔变频冰箱白马王子BCD-218BSC型说明书:[2]
阅读量:182
海尔变频冰箱白马王子BCD-198BSC型说明书:[3]
阅读量:119
海尔变频冰箱白马王子BCD-198BSC型说明书:[2]
阅读量:124
海尔变频冰箱白马王子BCD-198BSC型说明书:[1]
阅读量:180
王子金刀升级的方法
阅读量:121
猜你喜欢
nb什么意思
什么是机器人
刚刚什么地方地震了
计算机网络技术主要学什么
gmp是什么意思
4月2日是什么星座
mean是什么意思
什么是宪法
什么是素数
短路是什么意思
猜你喜欢
批示是什么意思
人次是什么意思
玻璃钢是什么材料
spd是什么意思
什么是物联网
春日宴讲的什么
现在什么生意好做
快乐是什么
失足什么意思
95511是什么电话