指南经验网
首页
美食营养
生活百科
知识问答
生活知识
返回
指南经验网
首页
美食营养
游戏数码
手工爱好
生活知识
生活百科
健康养生
运动户外
职场理财
情感交际
母婴教育
时尚美容
知识问答
更多知识
搜索
BZT-II系列变压器综合测试台使用说明书:[3]
2026-02-13 18:16:01
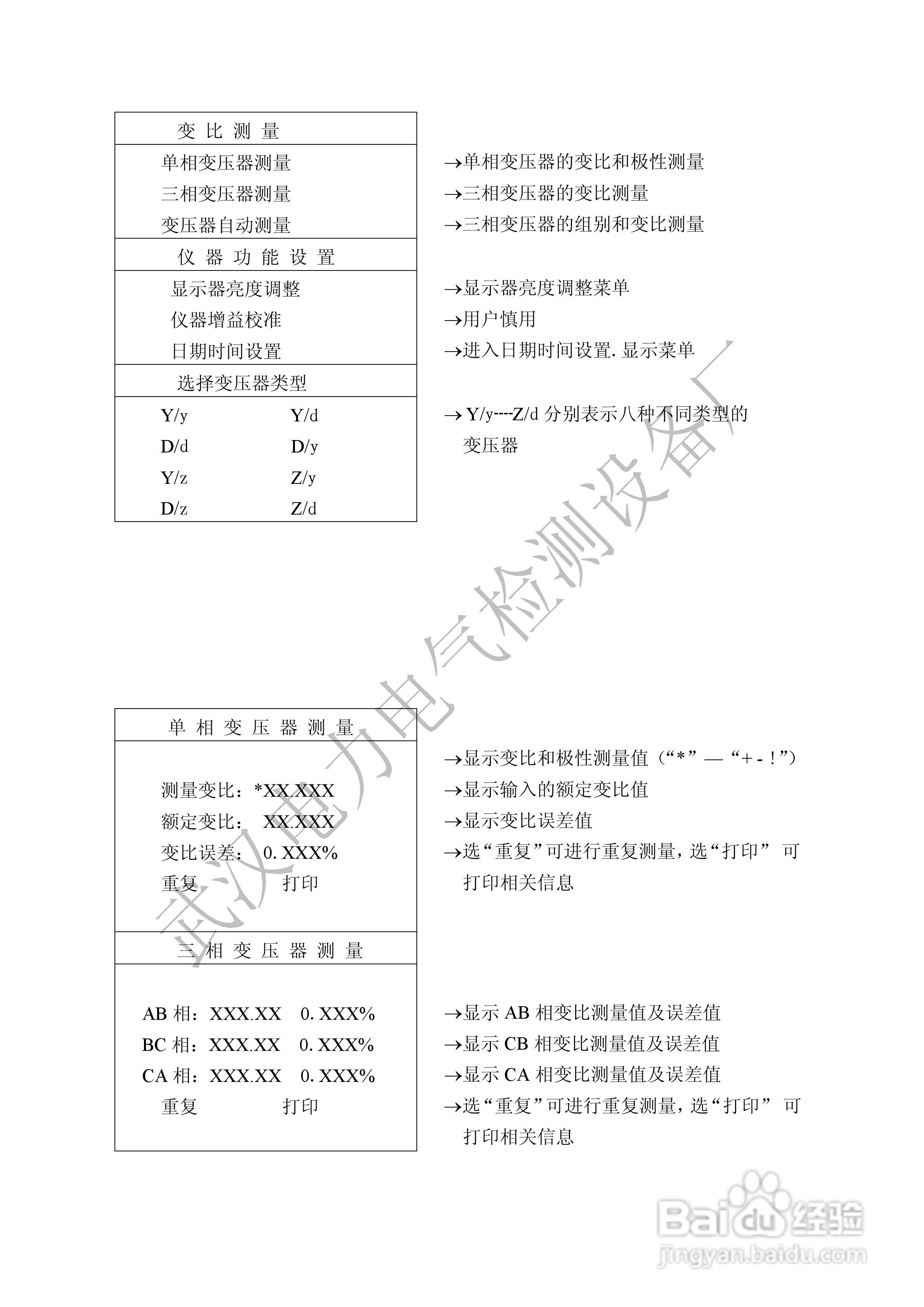
本篇为《BZT-II系列变压器综合测试台使用说明书》,主要介绍该产品的使用方法以及常见故障解决方案。
(共篇)
上一篇:
|
下一篇:
相关推荐
BZT-II系列变压器综合测试台使用说明书:[2]
阅读量:149
BZT-II系列变压器综合测试台使用说明书:[4]
阅读量:127
华宝HB-BZT变压器综合测试台说明书:[2]
阅读量:57
华宝HB-BZT变压器综合测试台说明书:[1]
阅读量:28
合众ZHT-B型变压器综合测试台说明书:[3]
阅读量:28
猜你喜欢
辣椒酱怎么做好吃
科学的减肥方法
生殖器疱疹怎么治
word怎么查字数
腰椎滑脱的锻炼方法
论文结论怎么写
樱花国际日语怎么样
网址大全
鱼头怎么做好吃
末影龙怎么驯服
猜你喜欢
微波炉做蛋糕的方法
米糕的做法松软又好吃
糍粑怎么做好吃
焦虑症治疗方法
香椿芽的吃法大全
持续低烧怎么办
蔬菜汤的做法大全
玉米粒的家常做法
怎么下载电子书
怎么投诉卖家