指南经验网
首页
美食营养
生活百科
知识问答
生活知识
返回
指南经验网
首页
美食营养
游戏数码
手工爱好
生活知识
生活百科
健康养生
运动户外
职场理财
情感交际
母婴教育
时尚美容
知识问答
更多知识
搜索
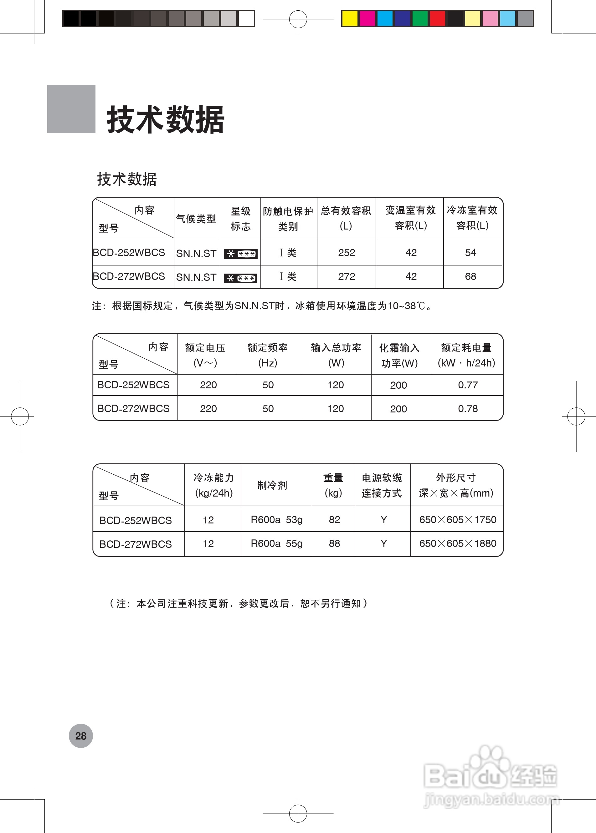
海尔冰箱BCD-272WBCS/YLA型说明书:[3]
2026-02-16 05:14:54
(共篇)
上一篇:
|
下一篇:
相关推荐
最具营养价值的十大水果
阅读量:142
怎样卸窗帘打孔器钻头
阅读量:163
怎样制作麻辣鸡丝?
阅读量:110
功夫足球的游戏攻略
阅读量:131
英国留学签证申请拒签后如何写申诉信?
阅读量:56
猜你喜欢
普天同庆什么意思
什么是定期存款
什么牌子的面膜好
fyi什么意思
桑树叶的作用
石斛花的功效与作用
牛肉的功效与作用
红糖的作用
爱问知识人共享资料
杏仁有什么作用和功效
猜你喜欢
地球知识能量站
戏曲知识
考幼师资格证需要什么条件
浙江有什么好玩的地方
每日育儿知识小分享
上拉电阻的作用
什么牌子的吉他好
蒸梨的功效与作用
建行金卡有什么好处
太平天国运动教案